多电平储能变流装置应用领域
发电侧储能:负荷调节、平滑间歇性能源、提高新能源消纳、提高电网备用容量、参与调峰、调频。
输配电储能:提高电能质量、降低线路损耗、提高电网的备用容量、提高输配电设备利用效率、延缓增容需求。
用户侧储能:平滑负荷曲线、负荷转移、削峰填谷。
紧急电源系统:电网正常时其处于备用状态,电网故障时其即可启动,保障负荷的连续供电。
消防供电、应急照明、能量回馈等。
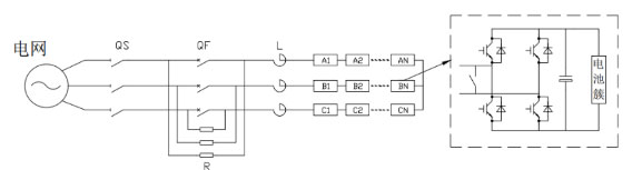
多电平储能变流装置系统框图

多电平储能变流装置的拓扑由并网电抗器、变流功率单元、电池、以及相应的控制和保护设备构成,装置以1700V IGBT为核心,完全由无电池簇并联的单簇电池组成,用变流器交流端串联的办法,星接或角接后直接接入3.3kV至35kV电压等级母线。
多电平储能变流装置特点
多电平储能变流装置适合于单机2MW以上的各类用户需求;
无升压变压器,可以直接接入3.3kV-35kV电网;
损耗低(小于1%)、运营效率高;
单机容量大;
电池簇无并联,更安全,利用率高;
单簇电池充放电更安全;
可选配不停电(连续)供电功能。










扫描手机二维码
